jc聚彩
电动插板阀|除尘电动插板阀-电动插板阀-宏大除尘设备
||
资讯
|
网站地图
网站首页
走进宏大
除尘整机
除尘配件
安装现场
企业资质
工程案例
生产场景
联系宏大
热门点击:
布袋除尘器
|
气箱除尘器
|
脉冲除尘器
|
旋风除尘器
|
单机除尘器
|
行业除尘器
|
除尘器配件
|
除尘布袋
|
当前位置:
首页>
除尘配件
>
插板阀系列
>
电动插板阀
电动插板阀
发布时间:2020/9/19 14:28:31 来源:
宏大除尘设备
根据除尘器功能的不同, 插板阀可分为手动型插板阀、气动型插板阀和电动型插板阀等形式。各类形插板阀的规格和要求比较简单。
(1)手动插板阀 根据其操作结构形式又分为蝶、杆型和手柄型两种,一般与旋转阀配套使用。仅作为旋转阀检修时 的灰斗切断作用 . 如除尘器灰斗的卸灰等。
(2)
气功型插板阀
用于粉尘自动排出控制,在电炉除尘系统中可用于沉降室或燃烧室灰斗的排灰 。
(3) 电动型插板阀用于粉尘和浆液等的自动排出控制,在电炉除尘系统中可用于沉降室或燃烧室灰斗的排灰。电动型插板阀外形。该 阀使用压力小于 0.05 MPa,温度小于300℃。
二、电动插板阀结构特点
1.插板阀采用全封闭式结构设计,插板开启后位于另一侧密闭的检修室内。
2.插板采用的整平板,并对插板的密封面进行车铣切屑加工,密封间隙小,密封性能好。
3.插板阀与现场管道连接方式可以为法兰螺栓连接、插入反法兰或管道直接对焊连接。
4.电动插板阀由启闭电动装置驱动螺杆副旋转产生轴向移动,再经过导向传动螺杆套带动插板移动,抽出或推入插板,完成插板的开启或关闭动作,运行平稳。
5.气动插板阀由启闭气缸插入壳体内拉动或推动插板的开启或关闭。
电动(气动)插板阀开启或关闭通过安装在插板二侧面上的滑动滚轮,使插板在轨导内运行,采用优化设计方案,插板移动平稳轻便,驱动力矩小。
三、工作原理:
该闸门主要由框架、丝杆螺母、手轮、闸板组成,手轮(链轮)转动,丝杆带着丝杆螺母和闸板作水平方向的往复运动,达到阀门的启闭目的。
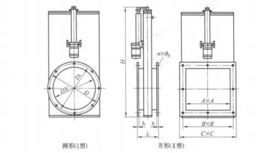
四、主要连接尺寸
主要外形及连接尺寸(mm)本产品驱动装置可采用电动、气动、手动、伞齿轮转动等装置
相关资讯
news list
张家口的王经理两台气箱式脉冲除尘器发货
电炉除尘器的设计及使用方法
苏丹客户来公司验货
内蒙古刘总订购的陶瓷厂修边机气箱式脉冲除尘设备装车发货
4台DMC脉冲布袋除尘器已经发货
分类导航
资讯分类
企业公告
企业新闻
行业信息
展会信息
发货通知
主打产品系列
脉冲除尘器系列
单机除尘器系列
旋风除尘器系列
湿式除尘器系列
除尘器行业分类
废气处理设备系列
除尘器行业分类
破碎机振动筛除尘器
烘干机配套除尘器,干燥设备除尘器
陶瓷厂修边机气箱式脉冲除尘设备
锅炉除尘器
皮带输送转运点单机脉冲除尘器
铜铝板带生产线气箱式除尘器
球磨机配套布袋除尘器
喷砂房,喷砂机除尘器
料仓单机除尘器,水泥仓顶除尘器
制药厂粉碎机气箱式脉冲除尘器
家具厂反吹布袋除尘器
除尘资讯
水泥仓顶除尘设备使用注意事项
冲天炉新型电炉除尘器
2021年9月9日泊头市市领导来我厂检查指导工作
MCLT滤筒式除尘器说明参数除尘选型
PL单机式除尘器过滤风速及框架确定
除尘配件
除尘布袋
骨架
脉冲控制仪表
油水分离器
联系我们
企业简介
|
工程实例
|
生产场景
|
公司业绩
|
主要客户
|
联系方式
|
网站地图
公司名称:泊头市宏大除尘设备制造有限公司 公司地址:泊头市开发区环城东路南首1号 电话:0317-8392799 8162866 传真:0317-8392977 手机:18931764475 网址:
http://die-youxin.com
宏大除尘设备 2014(C)版权所有 并对网站所有内容保留解释权
网站建设:中科四方