jc聚彩

冲激式除尘器-CCJ/A型冲激式除尘器-宏大除尘设备

||资讯| 网站地图
宏大除尘设备,除尘器,除尘配件
热门点击: 布袋除尘器|气箱除尘器|脉冲除尘器|旋风除尘器|单机除尘器|行业除尘器|除尘器配件|除尘布袋|
冲激式除尘器
CCJ/A型冲激式除尘器
宏大除尘引进较_的冲激式除尘器加工设备,建立了_的质量管理和技术团队,力争把宏大除尘冲激式除尘器打造成相对_的湿式除尘器品牌。
产地:河北省>泊头市
供应商:泊头市宏大除尘设备制造有限公司
技术咨询热线:
13785759289

CCJ/A型冲激式除尘器详细内容介绍information

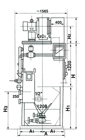
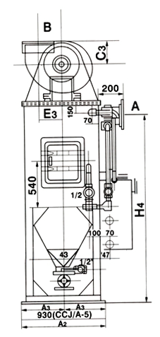
CCJ/A型冲击式除尘器
      CCJ/A型冲激式除尘器有几种不同型式的排泥浆方法,本型号为锥形漏斗排泥浆的冲激式除尘机组,定型为CCJ/A(C—冲激式;C—除尘;J—机组;A—锥形漏斗排泥浆)。按处理风量的能力分八种规格。
选用说明
一、适用范围:本机组适用于干净化非纤维性,无腐蚀性的温度不高于300℃的含尘气体。适用于冶金、煤炭、化工、铸造、发电、建筑材料及耐火材料等企业。在用于具有粘性的生石灰运输系统中的除尘亦能获得很好的效果,这是该机组的又一突出优点。
二、溢流箱的水封高度是按机组分雾室内负压不大于400毫米水柱或正压不大于150毫米水柱设计的,非此使用条件,需另行设计溢流箱。

CCJ/A型冲激式除尘器技术性能
 
型号规格
进口风速(m/s)
处理风量(m3/h)
阻力(kg/m2)
耗水量(t/h)
效率(%)
外型尺寸(长×宽×高)
重量(kg)
CCJ/A-5
18
5000
100-160
0.16
99
1568×1284×3124
809
CCJ/A-7
7000
0.23
1568×1634×3240
1058
CCJ/A-10
10000
0.33
1568×2012×3579
1212
CCJ/A-14
14000
0.46
1956×2600×4828
2430
CCJ/A-20
20000
0.66
2573×2600×4828
3370
CCJ/A-30
30000
0.98
3279×2600×4828
4132
CCJ/A-40
40000
1.32
4200×2250×5196
5239
CCJ/A-60
60000
1.97
5913×2250×5566
6984
CCJ/A型冲击式除尘器
 CCJ/A型冲激式除尘器  CCJ/A型冲激式除尘器

 

 CCJ/A型冲激式除尘器
 CCJ/A型冲激式除尘器
 CCJ/A型冲激式除尘器  CCJ/A型冲激式除尘器
 CCJ/A型冲激式除尘器技术性能
 CCJ/A型冲激式除尘器技术性能
 
 

相关产品products list

除尘布袋-布袋除尘器布袋
除尘布袋堪称袋式除尘器的心脏,除尘布袋是袋式除尘器运行过程中的关键部分,通常圆筒型滤袋垂直地悬挂在除尘器中。
DMF-T-62直通式脉冲阀-直通式电磁脉冲阀
宏大生产的DMF-T-62直通式脉冲阀阀其进出口中心为同一直线,其进气口与储气管连接、出气口与喷吹管连接,气流畅通,能提供符合要求的脉冲气流 。DMF-T-62S直通阀的特点:直通式电磁脉冲阀的构造特点是空气进出口中心线在一条直线上,脉冲阀膜片把脉冲阀分为前,直通式脉冲阀后两个气室,接通压缩空气时脉冲阀处于关闭状态,开启动作原理与直角阀相同,只是气流喷射时的流动方向。
DMF-Z-65s电磁脉冲阀-5寸直角型脉冲电磁阀
RMF-Z-65S直角式脉冲阀是2.5寸直角型脉冲电磁阀,进气口和出气口之间的夹角为90度,RMF-Z-65S直角式脉冲阀适合于储气筒和除尘器喷吹管的连接。电压可分为:AC110V/AC220V/DC24V等。
企业简介|工程实例|生产场景|公司业绩|主要客户|联系方式| 网站地图
公司名称:泊头市宏大除尘设备制造有限公司 公司地址:泊头市开发区环城东路南首1号 电话:0317-8392799 8162866 传真:0317-8392977 
手机:18931764475 网址:http://die-youxin.com 
宏大除尘设备 2014(C)版权所有 并对网站所有内容保留解释权  
网站建设:中科四方